Premium PLI Tensioners
Elastomer Tensioners
Description
PLI Tensioners
-Cost effective and a low maintenance solution
-Constant torque results in higher belt or chain life
-Constant pressure results in dampened vibrations
-Standard sizes are stock, & with many custom options and accessories
Model Specifications
Print
Premium PLI Tensioners
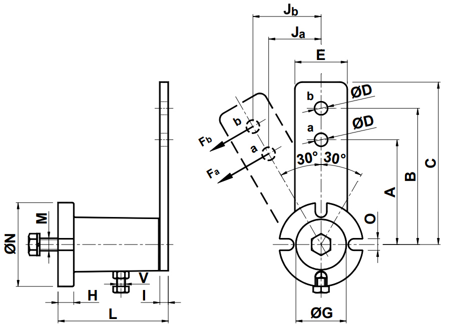
| Tensioner No. | Cross ref. | Normal A | Hard B | Force (lbs.) Fa | Force (lbs.) Fb | Dimensions C | Dimensions D | Dimensions E | Dimensions G | Dimensions H | Dimensions I | Dimensions L | Dimensions N | Dimensions O | Dimensions M | Wgt. lbs. | Qty on order | Avail. Qty | Price | |
|---|---|---|---|---|---|---|---|---|---|---|---|---|---|---|---|---|---|---|---|---|
|
Tensioner No.:
PLI111 |
Cross ref.:
SE-11 |
Normal A:
2.36" |
Hard B:
3.15" |
Force (lbs.) Fa:
25.4 |
Force (lbs.) Fb:
19.11 |
Dimensions C:
3.54" |
Dimensions D:
0.33" |
Dimensions E:
0.98" |
Dimensions G:
0.79" |
Dimensions H:
0.24" |
Dimensions I:
0.20" |
Dimensions L:
2.03" |
Dimensions N:
1.57" |
Dimensions O:
0.28" |
Dimensions M:
M6 x 20 |
Wgt. lbs.:
0.62 |
Qty on order:
0 |
Avail. Qty:
172 |
Price:
21.58$ |
|
|
Tensioner No.:
PLI215 |
Cross ref.:
SE-15 |
Normal A:
3.15" |
Hard B:
3.94" |
Force (lbs.) Fa:
38.22 |
Force (lbs.) Fb:
30.57 |
Dimensions C:
4.43" |
Dimensions D:
0.41" |
Dimensions E:
1.18" |
Dimensions G:
1.18" |
Dimensions H:
0.32" |
Dimensions I:
0.20" |
Dimensions L:
2.51" |
Dimensions N:
1.97" |
Dimensions O:
0.35" |
Dimensions M:
M8 x 25 |
Wgt. lbs.:
1.06 |
Qty on order:
0 |
Avail. Qty:
228 |
Price:
26.85$ |
|
|
Tensioner No.:
PLI318 |
Cross ref.:
SE-18 |
Normal A:
3.15" |
Hard B:
3.94" |
Force (lbs.) Fa:
95.54 |
Force (lbs.) Fb:
76.43 |
Dimensions C:
4.53" |
Dimensions D:
0.41" |
Dimensions E:
1.38" |
Dimensions G:
1.38" |
Dimensions H:
0.39" |
Dimensions I:
0.24" |
Dimensions L:
3.07" |
Dimensions N:
2.36" |
Dimensions O:
0.35" |
Dimensions M:
M10 x 30 |
Wgt. lbs.:
1.61 |
Qty on order:
500 |
Avail. Qty:
0 |
Price:
32.99$ |
|
|
Tensioner No.:
PLI427 |
Cross ref.:
SE-27 |
Normal A:
3.94" |
Hard B:
5.12" |
Force (lbs.) Fa:
230.88 |
Force (lbs.) Fb:
177.6 |
Dimensions C:
6.1" |
Dimensions D:
0.49" |
Dimensions E:
1.97" |
Dimensions G:
1.89" |
Dimensions H:
0.59" |
Dimensions I:
0.32" |
Dimensions L:
4.23" |
Dimensions N:
3.15" |
Dimensions O:
0.43" |
Dimensions M:
M12 x 40 |
Wgt. lbs.:
4.4 |
Qty on order:
300 |
Avail. Qty:
88 |
Price:
63.84$ |
|
|
Tensioner No.:
PLI538 |
Cross ref.:
SE-38 |
Normal A:
5.51" |
Hard B:
6.89" |
Force (lbs.) Fa:
449.62 |
Force (lbs.) Fb:
359.69 |
Dimensions C:
8.07" |
Dimensions D:
0.81" |
Dimensions E:
2.56" |
Dimensions G:
2.44" |
Dimensions H:
0.59" |
Dimensions I:
0.39" |
Dimensions L:
5.57" |
Dimensions N:
3.94" |
Dimensions O:
0.51" |
Dimensions M:
M16 x 40 |
Wgt. lbs.:
9.24 |
Qty on order:
0 |
Avail. Qty:
42 |
Price:
113.50$ |
|
|
Tensioner No.:
PLI645 |
Cross ref.:
SE-45 |
Normal A:
7.09" |
Hard B:
8.86" |
Force (lbs.) Fa:
717.14 |
Force (lbs.) Fb:
573.26 |
Dimensions C:
10.24" |
Dimensions D:
0.81" |
Dimensions E:
3.15" |
Dimensions G:
3.15" |
Dimensions H:
0.71" |
Dimensions I:
0.47" |
Dimensions L:
7.91" |
Dimensions N:
4.72" |
Dimensions O:
0.51" |
Dimensions M:
M20 x 50 |
Wgt. lbs.:
15.4 |
Qty on order:
0 |
Avail. Qty:
24 |
Price:
190.26$ |
|
|
Tensioner No.:
PLI750 |
Cross ref.:
SE-50 |
Normal A:
7.87" |
Hard B:
9.84" |
Force (lbs.) Fa:
1112.8 |
Force (lbs.) Fb:
888 |
Dimensions C:
11.42" |
Dimensions D:
0.81" |
Dimensions E:
3.54" |
Dimensions G:
3.07" |
Dimensions H:
0.79" |
Dimensions I:
0.79" |
Dimensions L:
8.22" |
Dimensions N:
5.12" |
Dimensions O:
0.67" |
Dimensions M:
M24 x 60 |
Wgt. lbs.:
26.4 |
Qty on order:
2 |
Avail. Qty:
0 |
Price:
525.45$ |
Footer


Return 